Your technology partner
with innovative products
and affordable prices !

DATAKOM DKG-327 Automatic Transfer Switch

* All prices are retail and VAT exclusive

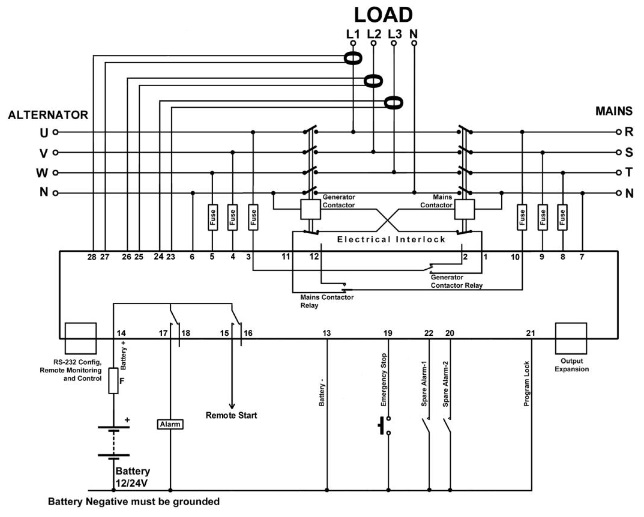
The DKG-327 is a control and protection panel designed to monitor the 3-phase mains voltages, send remote start command to the generating set and make changeover of both generator and mains contactors.
It shows the measured values on its displays.
The genset is supposed to be controlled by a Remote Start type control unit.
In AUTOMATIC position, DKG-327 monitors mains phase voltages.
In case of a mains failure it controls the remote starting and load transfer of the generating set, and once the generator is running, it  monitors internal protections and external fault inputs. If a fault condition occurs, the unit disables the remote starting automatically and indicates the failure source with the corres ponding red led lamp.
The unit is able to control both contactors and motorized circuit breakers. The front panel mimic diagram provides information about mains and generator power availability as well as contactor positions.
The operation of the unit is controlled with front panel pushbuttons. The LOAD TEST, TEST, AUTO and OFF pushbuttons select the operating mode. Other buttons select the display parameter scroll, alarm mute and lamp test functions.
The DKG-327 provides a comprehensive set of digitally adjustable timers, threshold levels, input and output configurations and operating sequences. The unauthorized access to program parameters is prevented by the program lock input. All programs may be modified via front panel pushbuttons, and do not require an external unit.
The fault conditions are considered in 2 categories as Warnings and Alarms. Measured values have separate programmable limits for warning and alarm conditions.
The service request indicator lamp turns on at the expiration of either engine hours or time limits. It is possible to monitor the operation of the system locally or remotely with the WINDOWS based RAINBOW PC utility program.
The unit is designed for front panel mounting. It is fitted into the cut-out with the mounting brackets. Connections are made with 2 part plug and socket connectors.


WE DO NOT SHIP THIS DATAKOM PRODUCT TO USA AND CANADA


* All prices are retail and VAT exclusive